欢迎光临艾格威机电!专业为您提供空压机系统规划、整机销售、备件备品、维护保养、报装报检等一站式服务!
网站导航
加入收藏
设为首页
网站首页
空压机系列
艾格威
美国•寿力
斯可络螺杆机
无油螺杆机
行业配套
真空泵
制氮机
后处理系统
储气罐
冷干机
吸干机
精密过滤器
油水分离器
排水器
SMC系列
备件备品
艾格威耗材
美国寿力耗材
斯可络备品备件
品牌正品耗材
品牌原厂配件
安装工程
压缩系统安装
压缩管道工程
余热回收工程
客户服务
维修保养服务
主机大修服务
节能改造服务
余热回收项目
合同能源管理
设备租赁服务
报装报检服务
空压机常识
压缩机技术
客户案例
案例现场
光电行业
电池行业
汽车工业
印刷包装
塑胶五金
化工冶金
食品医药
纺织行业
建筑工程
陶瓷行业
喷涂行业
走进我们
关于我们
经营理念
荣誉资质
企业风采
新闻动态
联系我们
后处理系统
储气罐
冷干机
吸干机
精密过滤器
油水分离器
排水器
SMC系列
深圳市艾格威机电设备有限公司
地址:深圳市宝安区广深路沙井段92号
电话:0755-27298595
传真:0755-27273426
信箱:airgve@163.com
SMC系列
您现在位置是:
网站首页
>>
后处理系统
>>
SMC系列
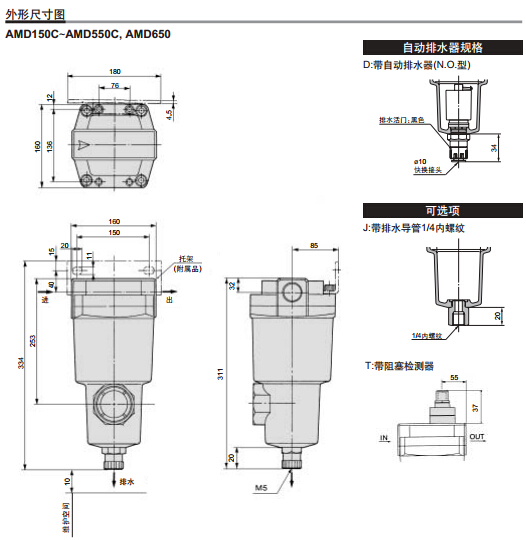
SMC微雾分离器AMD150-850
品牌名称:
SMC系列
产品型号:
AMD150-850
产品特征:
SMC气动元件被业界誉为世界一流产品,以其高性能、高品质、高性价比和技术领先性赢得了顾客高度满意。AMD微雾分离器能除去压缩空气中的空气溶胶状油粒子、除去0.01μm以上的炭粒或粉尘。可作为精密计测器用的高清净空气和洁净室用压缩空气的前置过滤器。过滤精度 :0.01μm (捕捉效率99.9%) 额定流量 (ANR):200~40000L/min
咨询及订购热线:
400-6910-198
详细描述
规格参数
产品相册
相关产品
深圳总部
地址:深圳市宝安区广深路沙井段92号
电话:0755-27298595
龚先生13500065819
传真:0755-27273426
Email:airgve@163.com
广州分部
地址:广州市白云区
黎先生13530906419
东莞分部
地址:东莞市塘厦镇林村 刘小姐13751118686
佛山分部
地址:佛山市禅城区
周先生13530906419
友情链接
艾格威阿里巴巴
|
艾格威淘宝商城
|
纽曼泰克官网
|
慧聪网
|
中国能效标识网
|
中建南方净化
|
美国寿力
|
中国空压机网
|
中国压缩机网
|
神钢压缩机官网
|
德国斯可络官网
|
阿里巴巴
|
慧聪网
|
恒德工业集团
|
气虹制氮机官网
|
贝克真空泵
|